A rotary power switch is an electromechanical component that achieves circuit on/off or function switching through rotational operation, widely used in devices requiring multi-level control or precise adjustment. Below is a detailed introduction:
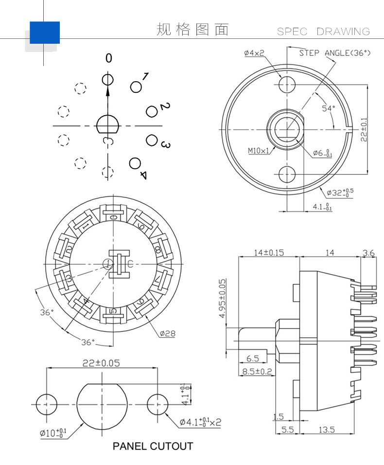
- Rotary Handle/Knob: The component directly operated by users, often marked with gear indicators on the surface (e.g., "OFF", "ON", "1", "2", etc.).
 - Contact Assembly: Composed of fixed contacts (stationary contacts) and rotating contacts (moving contacts) inside, which change the connection state of the contacts by rotating the knob.
 - Positioning Device: Such as card slots, springs, etc., to ensure the knob stays stably in specific gears and prevent misoperation.
 - Housing: Mostly made of metal or insulating plastic, providing mechanical protection and installation support.
 
- Single Pole Single Throw (SPST): When rotated to a specific angle, it only realizes the single function of circuit on (ON) or off (OFF).
 - Single Pole Multiple Throw (SPDT/SP3T, etc.): Switches between multiple gears through rotation to connect different circuit paths, achieving multi-level control (e.g., power gear adjustment).
 - Multiple Pole Multiple Throw: Multiple independent contact groups rotate synchronously, enabling simultaneous control of multiple circuits (e.g., three-phase power switching).
