4dhcpmingchen
Location  Home -> Products  ->  Switch  ->  tact swich  ->  Tact switch TC-00100H
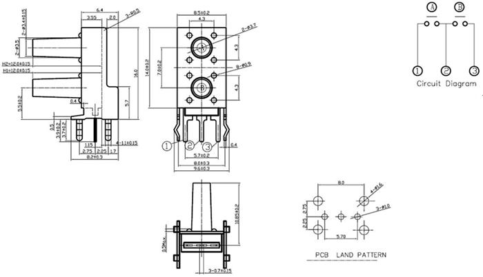
Tact switch TC-00100H
[View Original]   [BACK]
[Previous]  [Next] 

Tact switch TC-00100H

Dongguan Hooya Electronics CO.,LTD. Copyright © All rights reserved Filing 【MANAGE 【 Back to top 】

phone

phone

+86-769-8231-0511

mes
sage

Mobile Station

二维码

Mobile Station